درصد تکمیل :‌ 82%



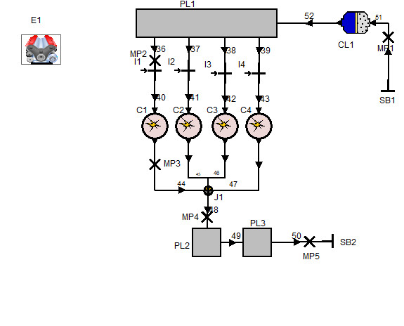
مدل سازی موتور XU7

موتور XU7  که در خودرو های پژو 405، سمند، پارس و ... استفاده شده است. 

هدف از این این شبیه سازی: کاهش مصرف سوخت، افزایش قدرت، افزایش گشتاور و کاهش آلایندگی می باشد.